目次
なぜSteadyClockが開発されたのか

SteadyClock(ステディー・クロック)は2002年に「ADI-648」に初めて導入されました。このクロック技術を開発したのには技術的な理由がありました。
MADIのジッター(波形の揺らぎ)値は非常に高く通常はデジタル機器の同期で必要となるクロックを抽出できないため、当時の一部の機器ではMADIケーブル以外に別のワード・クロック・ケーブルを追加して運用していましたが、この方法では手間がかかる上、長距離伝送などのMADIの利点を損なってしまいます。MADIから直接クロックを抽出できれば良いのですが、技術的な理由で80 ns(ナノセカンド=10億分の1秒)のジッターが生じてしまいます。これはオーディオの世界では高すぎる値でした。
例えば、100メートルの長いAESケーブルを使用すると10〜20 ns程度のジッターが発生しますが、これでもかなり高い値です。デジタル出力を備えた機器とホーム・オーディオDACを接続した場合は、1〜5 nsのジッターが発生します。この程度は一般的な仕様であり、大きな問題とはなりません。
このような背景から、「80 nsのジッターを1 ns以下にまで抑制してクリーンで安定したクロックを利用する」ためにSteadyClockが開発されました。
そして、初めて導入された1年後の2003年には「HDSP 9632」PCIカードにもSteadyClockが搭載され、以降全てのRME製品にSteadyClockが搭載されています。

SteadyClockのジッター抑制

効果をオシロスコープで確認
デジタル・オーディオの世界ではデバイスを互いに同期させる必要があります。内部クロックを利用できるのはマスターとなる1台のみで、その他のデバイスはマスターから供給される外部クロックに同期する必要があります。さらに、外部から受けたクロックのジッターを抑制してクリーンに保たなければ安定した同期を保つことができなくなります。よって入力されるAES/EBUやSPDIFコアキシャル、SPDIFオプティカルなどのクロック信号をSteadyClockでクリーンにすることはとても理にかなっています。
まずはSteadyClockの機能をAudio Precision「APx555B」オーディオ・アナライザとRME 「Fireface UFX+」オーディオ・インターフェイスの小規模なテスト環境で紹介します。
ここでは、Audio Precision APx555Bで48 kHzのワード・クロック信号を生成し、50 nsの値で2.5 kHzのサイン波ジッターを適用します。
生成されたワード・クロック信号はFireface UFX+に供給されオシロスコープの最初のチャンネル(黄色で表示された信号)で確認できます。ピーク・ピーク値で100 nsのジッターが生じています。

Fireface UFX+はこのジッター値の高いクロック信号に対して同期します。SteadyClockでクロック信号を処理してクリーンアップした結果が、下に青く表示されているFireface UFX+の出力です。全てのジッターが抑制されているのが分かります。
さらに重要なのは、このクリーニングされたクロックは、デジタル出力以外にAD変換/DA変換時にも使用されることです。

ジッターが引き起こす問題とは
「ジッターの何が悪いの?」と疑問を持たれるかもしれませんが、答えは明快です。
上の画面の通り、ジッター(黄色で表示される部分)は安定しない信号のようなもので上下に奇妙な動きをしています。この様にジッター値が高くなった時、例えばSPDIFやAES入力がロックせず不安定になり同期が外れたりする可能性があります。
また、このようなクロックをDA変換に使用するとDAコンバーターが直接反応するため状況は悪化します。純粋なオリジナル信号に側波帯が発生したり、変調されたノイズ・フロアができてしまう、あるいはそれらの全てを要因として多くのノイズが加わってしまいます。
そのために過大なジッターは避けるべきだと言えます。
サンプリング・ジッター がAD/DAに与える影響
3台のDACをテスト・ジッター信号で比較測定
前述のデジタル・オシロスコープで認識されるジッターはいわゆるインターフェイス・ジッターと呼ばれます。このジッターは例えばAES/EBU入出力やSPDIF入出力などのデジタル・インターフェイスの伝送時に発生し、1〜5 ns程度の間で値が変動してもほとんど聴覚上問題になりません。
これに対してAD/DA変換で発生する低領域のジッターはサンプリング・ジッターと呼ばれ、ジッター値はピコ秒やさらに低いフェムト秒の領域ですが、AD/DA変換時に信号に乗っているためオーディオ品質に直接影響を及ぼす可能性があります。
それでは、以下の3種類のDACに実際にAPx555Bを使用してそれぞれテスト・ジッター信号を供給し、サンプリング・ジッターがAD/DA変換にどのような影響を与えるかを見てみましょう。
- SteadyClock FSを搭載したモデル
- ジッター抑制をしない一般的なDAコンバーター
- SteadyClockを搭載したモデル
Audio Precisionシステムのユーザー・インターフェイスは、ジッターがDA変換に与える影響を分かりやすく表示します。この画面を使って、測定結果とそれがオーディオにどう影響しているかを説明します。

テスト環境では、APx555Bのデジタル・オプティカル出力からDACに48 kHzで接続され、入力チャンネルにはXLRバランス・ケーブルが接続されています。そして上画面の中央部にある10 kHzのサイン波を生成するジェネレーターで信号を生成し、画面右にはFFTで生成されたサイン波が表示されます。この信号に対してどれくらいのジッターを適用するかを設定することができ、現在はデジタル出力に対して2.5 kHzのサイン波が適用されている状態です。
このジッター測定の利点は、以下のようにFFTにジッターへの2.5 kHzの変調が12.5 kHzと7.5 kHzの信号として表示される点です。基本的に10 kHzの信号を軸にミラーリングされるためとても分かりやすく表示されます。

これを今から3種類のDACでテストします。ジッターがDA変換のアナログ出力に対してどう影響を与えるかを見るための測定値を幾つか用意しました。
測定1 -「オーディオ帯域にジッター抑制機能を持たないDAC」
まずはオーディオ帯域にジッター抑制機能を持たないDACから見ていきましょう。
このDACユニットは「ADI-2 DAC*」と同じDACチップAK4490が搭載されています。
*2021年3月現在の最新のADI-2 DAC / ProはAK4493を搭載

このFFT解析では、ほぼフルスケールの10 kHzのサイン波に対して-130 dbのノイズ・フロアが示されています。この値は高すぎます。
下の画面で同じDACチップを搭載した「ADI-2 DAC」の測定値(青色の線)と比べてみると「ADI-2 DAC」のノイズ・フロアはおよそ-155 dbであることが分かります。

このオーディオ帯域にジッター抑制機能を持たないDACのノイズの原因は、ハードウェアのアナログ出力側の設計にあるか、または内部でジッターを発生させている可能性があります。
* ジッターは、FFT解析で表示され多くの針のように現れている側波帯、またはノイズ変調やブロードバンド・ノイズ変調の可能性もあります。

次にこのDACに対して、ジッターの無かった入力信号に1 nsのジッターを発生させてみます。

中心から左右2.5 kHz離れた側波帯がすぐに確認できます。ここでジッター変調された側波帯はCD品質とほぼ同じ約-94 dBのレベルに達します。これはわずか1 nsのジッターでの結果です。
もちろんジッターの値が高いほど側波帯も高くなり、以下の50 nsではおよそ-60 dBに達します

それでは、ジッターを下げるとどうなるのでしょうか?理想的な転送でインターフェイスのジッターも非常に低いと仮定して100 ps(ピコセカンド=1兆分の1秒)で試してみます。

上に表示されているのはオプティカル入力で100 psのジッターですが、それでもはっきりと両側に側波帯がノイズ・フロア上から現れているのが分かります。およそ-114 dBのレベルに達しています。
測定2 -「SteadyClock搭載機器」
SteadyClock搭載デバイスの効果を確認するために「Fireface UC」の測定値を見てみましょう。

Fireface UCは世代の古いAD/DAコンバーターを搭載したモデルです。そのため基本的にAK4490の品質とは異なりますが、ここではFireface UCが依然として低いノイズ・フロア(紫色の線)を実現し最新のAK4490チップを使用する他のユニット(緑の線)よりも優れたアナログ回路とクロックが実装されていることが分かります。
Fireface UCのオプティカル入力信号にジッターを適用してみましょう。20 nsのジッターで測定すると、再び側波帯を確認できます。側波帯はおよそ-119 dBです。

続いてこの結果をSteadyClockが搭載されていないユニットと比較してみます。

20 nsのジッターで測定値はおよそ-68 dBです。つまりここでは、SteadyClockは実際に公表している30 dBよりもさらに多くのジッターを抑制していることが分かります
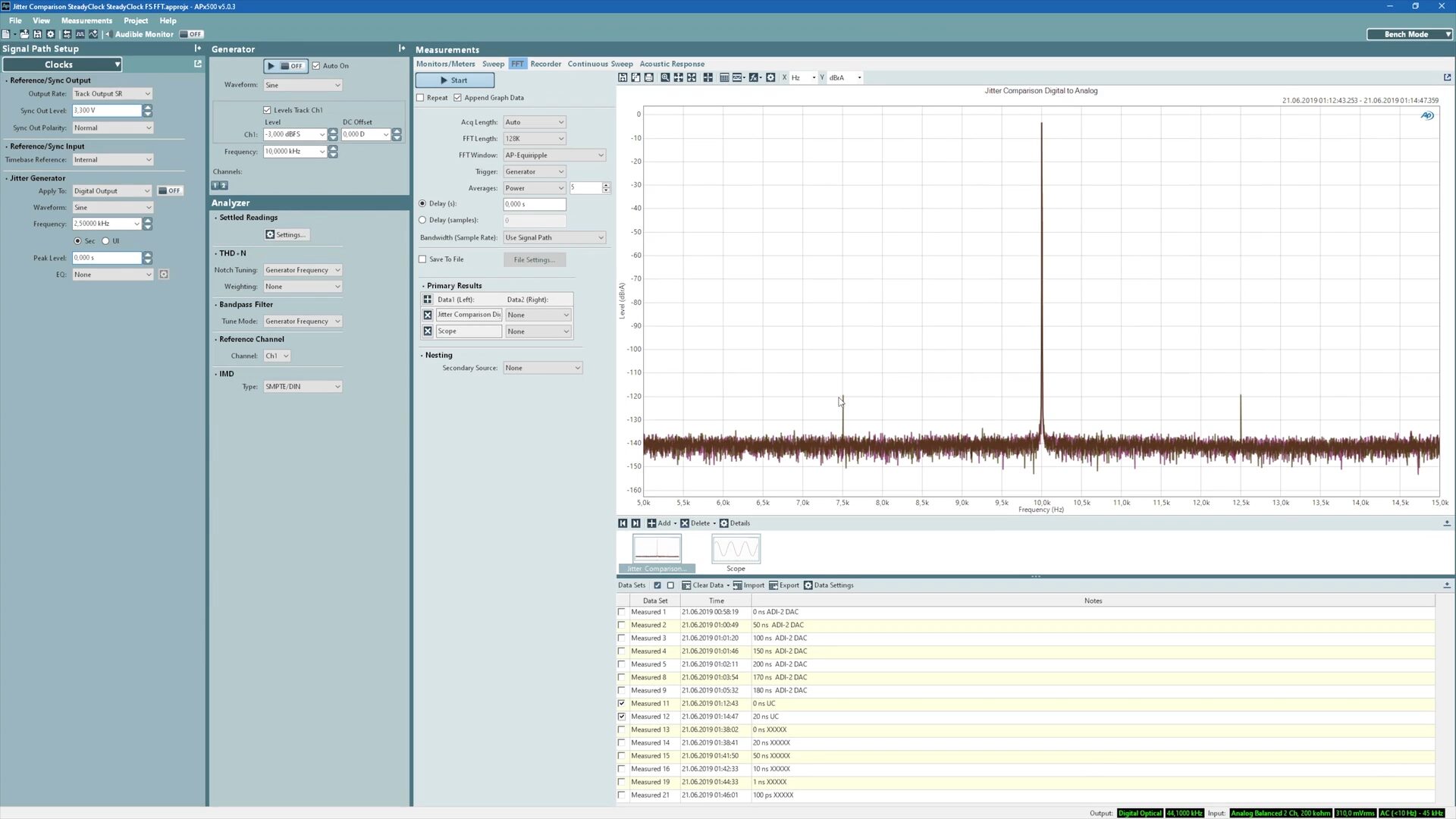
測定3 -「SteadyClock FS搭載機器」
SteadyClock FSはさらに優れたジッター抑制とセルフ・ジッターの低減を実現しています。このSteadyClock FSを搭載する「ADI-2 DAC」があらゆるジッターに対してどのように機能するかを見てみましょう。
これは「ADI-2 DAC」のオプティカル入力信号でジッターを適用していない状態です。ノイズ・フロアは およそ-155 dBと非常に低いことが分かります。

50 nsのデジタル・ジッターを適用します。ご覧の通り側波帯は表示されません。

100nsのジッターでも表示されていません。

これは150nsの非常に高いジッターですが側波帯は表示されません。

最後に
結論として高いジッター抑制能力を誇るSteadyClockが搭載されることで以下の利点が生まれることが明白になったと言えます。
- 外部クロック、内部クロックにかかわらずクリーンなクロックを供給することでデジタル同期を安定に保つ
- ノイズ・フロアが低くなりクリアなサウンドを実現する
- AD、DA変換時にノイズを含まない最適な品質を実現する
SteadyClockテクノロジーの詳細については「SteadyClock(ステディークロック)驚異的なジッター抑制をFPGA内で実現」をご覧ください。

ADI-2 DAC FS
" loading="lazy"
>
Fireface UFX III
" loading="lazy"
>